中文
|
EN
服务热线:400-969-1233
邮箱登录
首页
关于安博电子(中国)
安博电子(中国)
安博电子官方网站案例
新闻中心
科技创新
安博电子(中国)服务
首页
关于安博电子(中国)
安博电子(中国)
安博电子官方网站案例
新闻中心
科技创新
安博电子(中国)服务
企业动态
行业动态
塔式起重机
施工升降机
混凝土机械
屋面吊
桥梁安博电子官方网站
装配式建筑安博电子官方网站
水利水电安博电子官方网站
核电火电安博电子官方网站
机场港口安博电子官方网站
高层商业建筑安博电子官方网站
海外安博电子官方网站
技术中心
科研动态
新技术引用
专利技术
科研成果
企业介绍
发展历程
组织架构
资质荣誉
生产制造
联系我们
营销网络
用户服务
安博电子(中国)租赁
安博电子(中国)物流
新闻中心
SINCE1952
始于1952
企业动态
行业动态
首页
>
新闻中心
> 企业动态
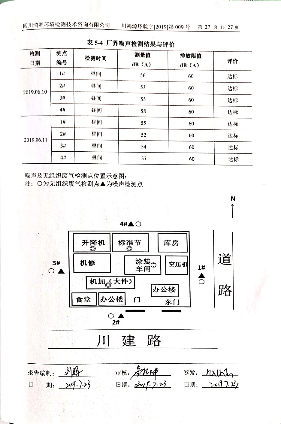
公司废气、废水、噪声检测报告
发布时间:2019-08-30 阅读次数:6482 来源:
上一篇
下一篇
关闭
安川变频器GA700技术手册
关注安博电子(中国)微信公众号 快速掌握最新资讯
AK网站
|
mk电竞
|
MK官方在线入口
|
MK电竞
|
江南手机版登录入口
|
MK在线(中国)唯一官方网站
|
安博app(中国)股份有限公司官网
|
江南官方网站_江南jiangnan(中国)
|
雷速
|